公司简介 公司新闻 综合资讯 产品展示 产品目录 客户反馈 联系我们 电子邮局
主要产品为静态混合器、动态混合设备、传热反应设备、过滤设备、消声设备、阻火设备等

管式反应器
切水器
管道过滤器
混合器
自清洗过滤器
空气过滤器
灭菌过滤器
滤件系列
精细过滤器
粉体输送设备
粉体混合设备
液体搅拌设备
消声器
特种小型设备
排水器
高效换热器
纸浆漂白专用设备
除污器(滤水器)
喷射器
纤维除雾器

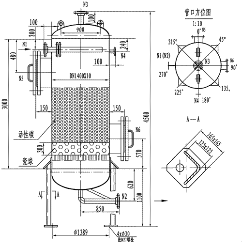
活性碳过滤器

产品特性
  活性碳过滤器内装8-10目颗粒状活性碳,一般石化行业中用于双脱装置,水处理车间等。活性碳有煤质碳、果壳碳或椰壳碳。它主要去除流体中的有机物,胶体化合物和硫化物,余氯等杂质,属于吸附过滤方式。
活性碳吸附饱和后无法通过反冲洗再生,必须及时更换,我公司在石油、化工、水处理等行业均有比较成熟的实例。各种技术参数不尽相同,请将处理量、工作压力、粘度、密度、温度等参数、传真或致电。
本公司将为你提供合适的设备形式。
望来电询问
其主要典型结构如下
 
南通天蓝石化设备有限公司 地址:启东市台角工业园区跃龙路18号 邮编:226200 http://www.ntlzjd.com E-mail:13862980289@126.com
电话:0513-83750261 手机:13862980289 静态混合器混合器